|
AL1403旋臂式全自动鹤管
收藏
顶部装车AL1403旋臂式全自动鹤管
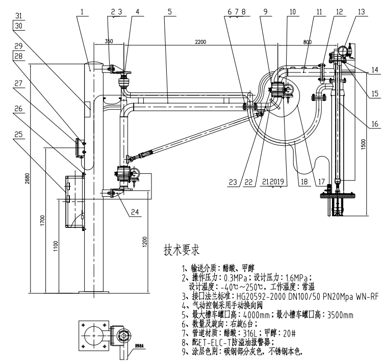
控制系统说明包含气缸、气动马达、气动三联件、气动控制(箱)盒,气控管线等。 (1)气缸控制系统能在鹤管工作的时候提供动力,操控鹤管外臂上仰或者下俯以及压紧密封帽,动作灵活性比较好,减轻工作人员劳动强度。要求现场气源压力保证(大于0.4Mpa) (2)气动马达控制的全自动鹤管,内臂、外臂的水平转动由气动马达通过涡轮蜗杆的转动实现。鹤管的垂管的升降由气动马达及钢丝绳共同实现。要求现场气源压力保证(大于0.4Mpa)
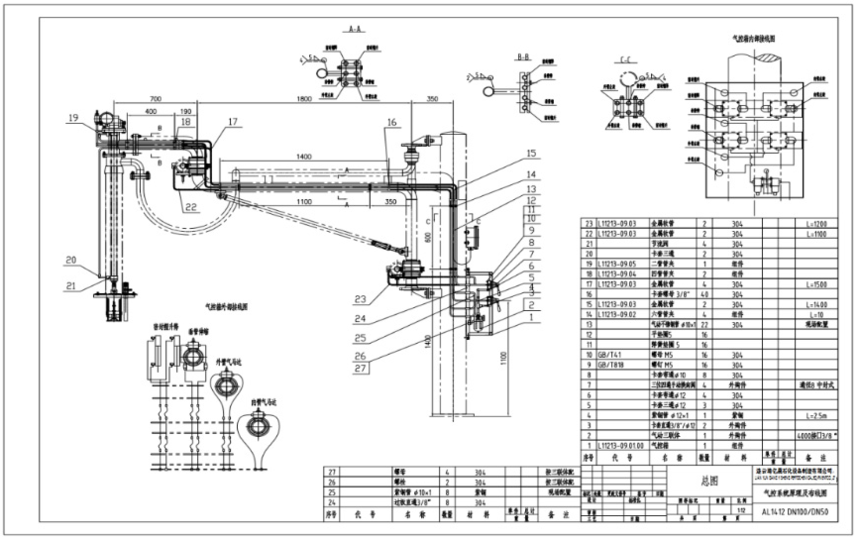
提升马达安装在三通上部,是实现伸缩垂管伸缩的关键部件。 此次鹤管采用的气动马达为叶片式气动马达,采用蜗轮蜗杆输出,具有机械自锁功能,可使伸缩垂管停留在其行程的任意位置。 气动马达设有手轮,可在无气源或故障时手动操作垂管伸缩。提升马达简图
|





